Projekt autorski "Instalacje elektryczne wewnętrzne MMM" to innowacyjna metoda produkcji, projektowania i montażu. Zapewnia wyższy zysk dla instalatorów i producentów oraz znaczne oszczędności dla inwestorów.

Nowatorska zasada produkcji elementów, budowy i działania instalacji wewnętrznych w budowlach. System MMM gwarantuje istotne oszczędności oraz maksymalizację zysków, optymalizując czas pracy i wydatki każdego uczestnika projektu.
-20% oszczędności
Oszczędność 20% na kosztach inwestycji. Nowe instalacje i ich eksploatacja są tańsze o 20-30%
-50% czasu pracy
Skrócenie czasu montażu o 50% przy jednoczesnym wzroście zysku o 25%. Zysk w nowej metodzie to 30%-40% w porównaniu do tradycyjnych 18%
+40% zysku
Zysk z produkcji większy o 20-40%.
Zysk z obrotu nowym produktem 18% i wyłączność
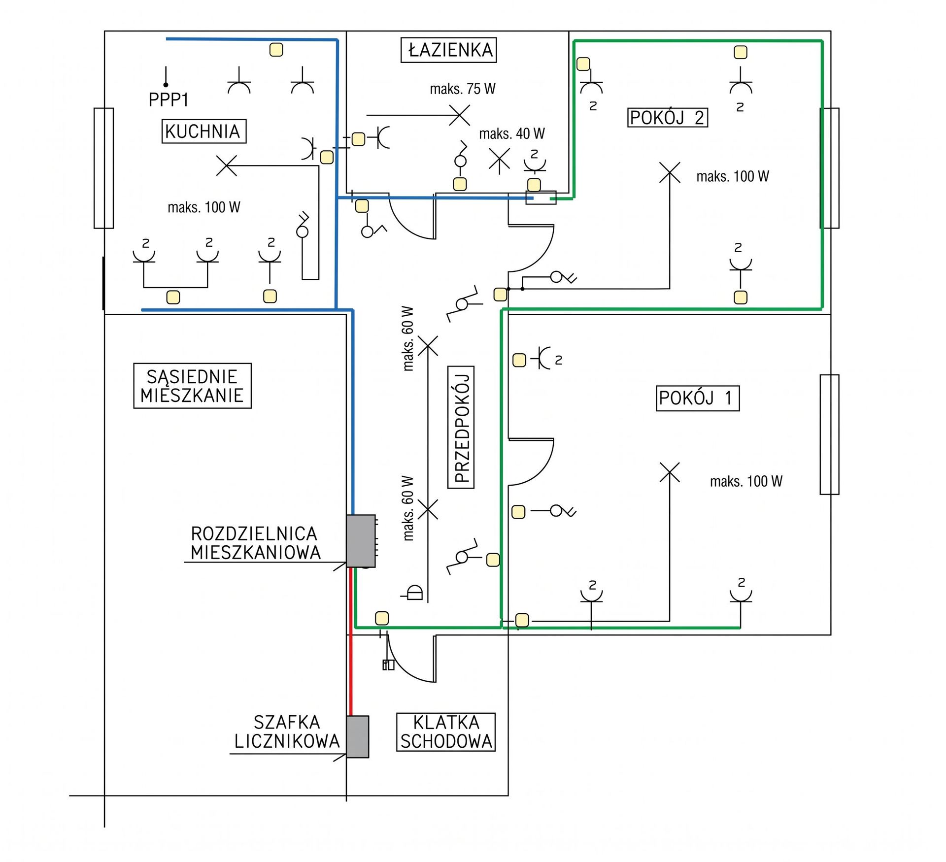
System MMM to kompleksowe podejście do instalacji elektrycznych wewnętrznych, które eliminuje wady obecnie stosowanych rozwiązań. Od automatycznej produkcji nowego typu przewodów, które nie wymagają dodatkowych testów, przez dystrybucję w handlu na dedykowanych płytach FiMe, aż po programowalne, indywidualnie nastawiane zabezpieczenia. Całość ukryta jest w kanałach izolacyjnych, które zwiększają bezpieczeństwo pożarowe i mechaniczne, gwarantując jednocześnie ułatwiony montaż i łatwy dostęp serwisowy. Najważniejszym aspektem tej instalacji jest zmniejszenie ilości przewodów w budynku.
W pełni nowatorska konstrukcja przewodów dla instalacji wewnętrznych produkowanych w procesie automatycznym (nie wymaga dodatkowych testów).Transportowane na talerzowych płytach montażowych FiMe dla maksymalnej optymalizacji procesu montażu.
Koniec z tradycyjnymi, grupowymi bezpiecznikami. Nasz system to ulepszone zabezpieczenia automatyczne, które są łatwo nastawne indywidualnie dla charakterystyki absolutnie każdego odbiornika elektrycznego.
Przewody układane są w specjalnych korytkach z przekładkami termicznymi - w łatwiejszy niż przy tradycyjnych instalacjach sposób. Jedna trasa instalacyjna w pętli zasilania - dla wszystkich odbiorników. Gwarantuje to przejrzystość schematyczną, znacznie większą odporność pożarową i ochronę przed uszkodzeniami mechanicznymi.
Innowacyjna konstrukcja kanałów i przewodów pozwala fachowcom na skrócenie czasu pracy o połowę. To nie tylko pewność terminowej realizacji, ale także wyższa rentowność każdego projektu instalacyjnego.
System instalacyjny MMM spełnia rygorystyczne standardy europejskie (EN) oraz amerykańskie (NEC/UL). Nowy system to krok naprzód w ochronie budynków – istotnie podnosi poziom bezpieczeństwa ppoż. i niezawodnie chroni wszystkie odbiorniki elektryczne.
Elastyczność dla każdego budownictwa. System instalacji MMM jest projektowany jako:
Autor projektu gwarantuje prawidłowość założeń finansowych i technologicznych.
Możemy udowodnić skuteczność na przykładzie instalacji wykonanej w Twoim mieście przy wsparciu nadzoru autorskiego - Janusz Jaworski.